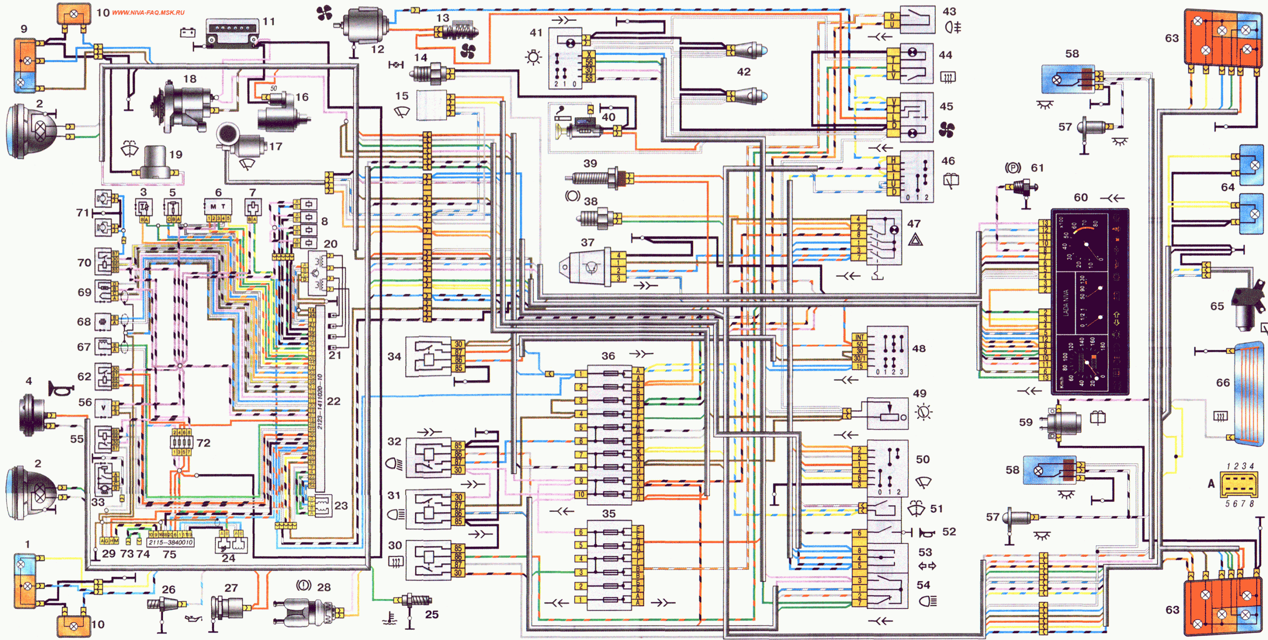
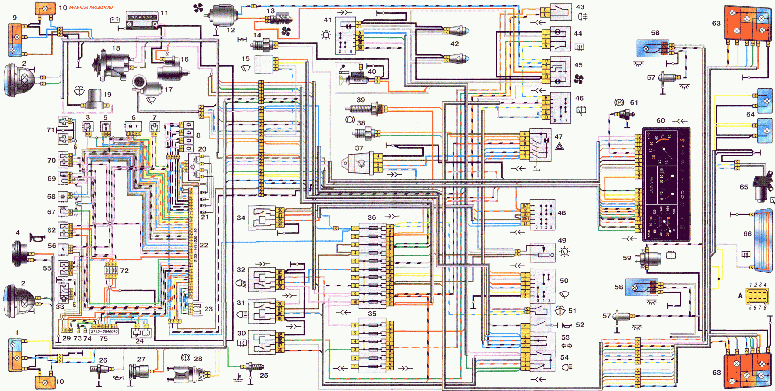
Lada Niva elektromos kábelköteg , kapcsolási rajzok

Veterán, oldtimer, youngtimer, gépkocsi javítás, felújítás, restaurálás.